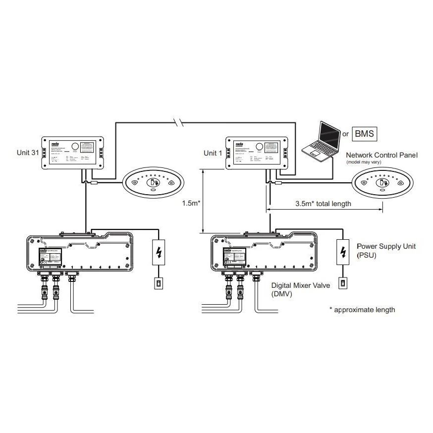
Rada Universal Configuration Tool to program Rada Sense valves and access data through an intuitive Windows based Configuration Tool, connect to a laptop/PC (or equivalent device) by USB connection or to a Building Management System (BMS) through the widely used Modbus protocol
Datalog and extract usage, duty flush and thermal disinfection data for Legislative compliance
Program Rada Sense valves and access data through an intuitive Windows based Configuration Tool
Datalog and extract usage, duty flush and thermal disinfection data for Legislative compliance
Negates the need for manual usage and duty flushing data recording
Connect to a laptop/PC (or equivalent device) by USB connection or to a Building Management System (BMS) through the widely used Modbus protocol
Ideal for new build projects or to enhance an existing Rada Sense installation
Programmer software designed to run on Microsoft Windows 7, XP and Vista operating systems
Only one Universal Configuration Tool is required per site
| Brand |
Rada |
|---|---|
| Model |
1.1621.202 |
| Guarantee | Full UK manufacturer’s guarantee |











Reviews
There are no reviews yet.